- INSIZE英示2887-5小型指针式百分表
详细信息
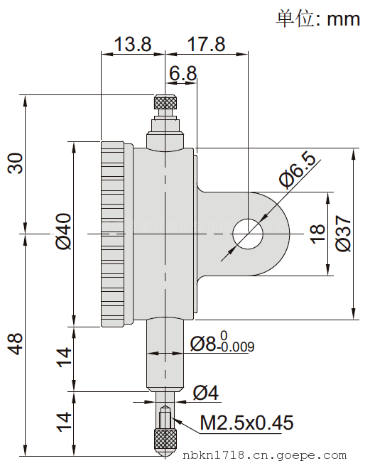
品牌:INSIZE英示 型号:2887-5 加工定制:否 类型:指针式 规格:2887-5/2887-5F 量程:5mm 精度:14μm INSIZE英示2887-5小型指针式百分表
宁波凯诺仪器代理销售INSIZE英示品牌量具量仪,产品包括粗糙度仪、测高仪、光泽度仪、水平仪、高度尺、深度尺、杠杆千分尺、三点内径千分尺、外径千分尺、内外卡规以及各种表、表座等等、如有需要,欢迎您来电咨询采购!
INSIZE英示2887-5小型指针式百分表产品特点:
符合JJG指示表国 家计量检定规程
分度值: 0.01 mm
带公差指示器
可选附件:后盖,测头
INSIZE英示2887-5小型指针式百分表产品特点:
型号:2887-5/2887-5F
测量范围:5mm
全程精度:14μm
回程精度:3μm
一圈行程:0.5mm
表盘读数:0-50
樶大测量力:1.5N
备注:带耳后盖/平后盖

宁波凯诺仪器主营噪声振动检测设备和磁性能产品测试仪器,主打爱华声级计、噪声统计分析仪、声学振动测试、铁损测量仪、高斯计、磁通计,激光对中仪,金相磨抛机等全系列金相试验设备。热销产品有:
传递函数法吸声系数隔声测量系统AHAI1032、无线建筑声学测量系统AHAI1002、新款多功能触屏声级计AWA6292、统计频谱声级计6228+、噪声统计分析仪AWA5688、本安型噪声分析YSD130、1级防爆声级计YSD132、脉冲功能声级计AWA5661、个人噪声剂量计AWA5912、瑞士NTi声级计音频声频分析仪XL2、人体手臂振动分析仪AHAI6256、人体1/3OCT低频振动分析仪AHAI6256、环境振动分析仪AHAI6256、手传振动分析仪AHAI3001-2H(替代AWA5936-3)、多功能工作测振仪AHAI3001,铁损测试仪TCIL-2A、easylaser激光对中仪XT440以及金相磨抛机、漆包线检测仪、激光测径仪等等。 -
-
产品搜索
-
产品分类
-
爱华声级计
-
噪声统计分析仪
-
声学振动分析仪
-
建筑声学测试
-
金相磨抛机
-
金相试样设备
-
磁性能测试仪
-
硅钢片铁损测量仪
-
瑞典激光对中仪丨轴对中
-
激光测径仪
-
漆包线检测仪
-
气动量仪
-
INSIZE英示量具量仪总代
-
三丰量具量仪等进口国产量具
-
工业硬度计
-
涂层/超声波/电解测厚仪
-
粗糙度仪
-
黑白密度计
-
色差仪/光泽度计/光源箱
-
瓶盖扭距测试仪
-
凯诺力学测试/疲劳试验
-
材料万能试验机
-
同心度测量仪
-
高低温试验箱/烘箱
-
辐射测量仪器
-
测温仪/风速仪/测振仪
-
水分仪/滴定仪
-
气体检测仪器
-
尘埃粒子计数器
-
工程质量检测仪器
-
水质分析仪器
-
酸度计/PH计/粘度计
-
紫外可见分光光度计
-
电子称天平
-
测绘仪器
-
直流交流电源/安规测试
-
静电测试仪
-
工业内窥镜
-
红外热成像仪
-
影像测量仪
-
三坐标测量机
-
光谱仪
-
探伤仪
-
放大镜台灯
-
自来水管道漏水探测仪
-
扫一扫,手机浏览












